Receveur siphonné PVC 400x400mm sortie verticale - Sable

Receveur siphonné en PVC anti-choc

Prix : 82,60 € TTC
Réf : KSFCH40S
Expédié sous 3 semaines
Vous gagnez points de fidélité
Optez pour la double livraison
  • Livraison offerte à partir de 240€ TTC
  • Retrait gratuit dans notre entrepôt du Mans
  • Paiement sécurisé
  • Paiement par Carte Bancaire
    Paiement par Paypal
    Paiement par Virement

Receveur siphonné PVC 400x400mm sortie verticale - Sable

Le receveur siphonné est conçu pour être installé sous un robinet de puisage dans les espaces privés, tels que les parkings, jardins, et autres. Sa forme incurvée permet de collecter l'eau tout en facilitant le nettoyage. La partie centrale, équipée d'un siphon, empêche les remontées d'odeurs provenant des évacuations générales d'eaux et assure la récupération des résidus.

Caractéristiques techniques

Siphon répondant à la norme internationale UNI EN 1253.

Convient sous un robinet de puisage.

Adaptation possible sur regard ou cadre.

Longueur : 400 mm

Largeur : 400 mm

Poids : 1,88 kg

Matériau : PVC anti-choc

Type de sortie : Verticale

 

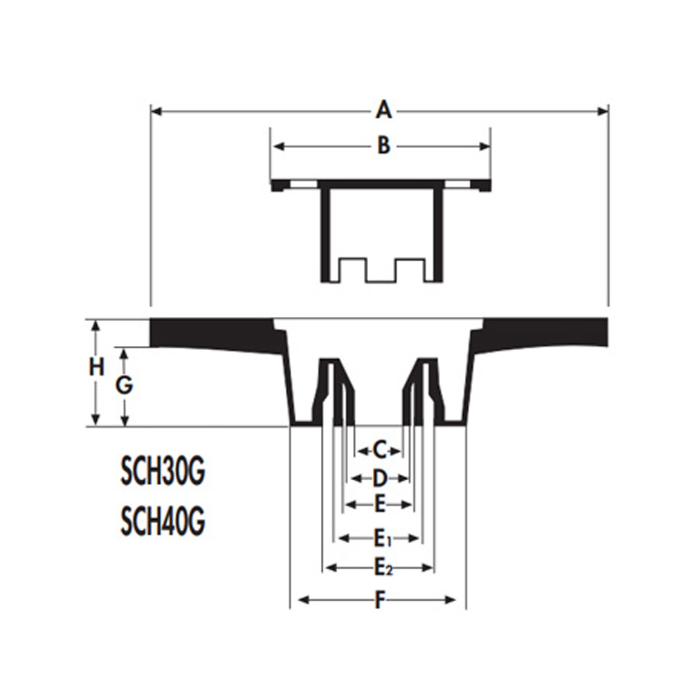
Schéma technique

A : 385 mm / B : 210 mm / C : 80 mm / D : 90 mm / E : 100 mm / E1 : 110 mm / E2 : 125 mm / F : 185 mm / G : 90 mm / H : 115 mm

Voir plus d'informations sur la marque

Voir plus d'informations sur la marque First Plast

Référence KSFCH40S
Marque First Plast
Garantie 8 ans
Conditionnement 1
Dimensions 400 x 400 mm
Hauteur 115 mm
Matière PVC
Couleur Sable

Le saviez-vous ?

Optez pour la double livraison !
Certains produits de votre commande ne sont pas disponibles alors que d’autres peuvent vous être envoyés sous 48 h ?
Vous ne souhaitez pas attendre si longtemps pour avoir ces derniers en main ? 
Anjou Connectique vous propose la double-livraison pour résoudre ce point !  
Recevez dès maintenant les produits disponibles et ne prenez pas de retard sur votre chantier !
Toutes les informations disponibles sur cette page .


livraison express

 

 

     Une livraison Express par TNT chez vous en 24/48 Heures maximum pour la France Métropolitaine.
     Toutes les informations disponibles sur cette page

 

Valorisez votre fidélité !

Nous récompensons votre assiduité à commander vos produits sur " ANJOU CONNECTIQUE " grâce à notre programme de Fidélité. 

  • 1€ d'achat* = 1 point pour chaque commande dès votre deuxième commande.
  • 500 points consolidés = 15€ offerts

Vos points de fidélité vous permettent d’économiser de l’argent, pour en savoir plus, rendez vous sur la page « Programme de fidélité »

Vous pouvez bénéficier !

Nous vous offrons la possibilité de régler votre commande en 3 fois sans aucun frais dès 400,00 euros d’achat !
Pour en savoir plus, rendez-vous sur la page  « Moyens de Paiement »